选择您的地区和语言

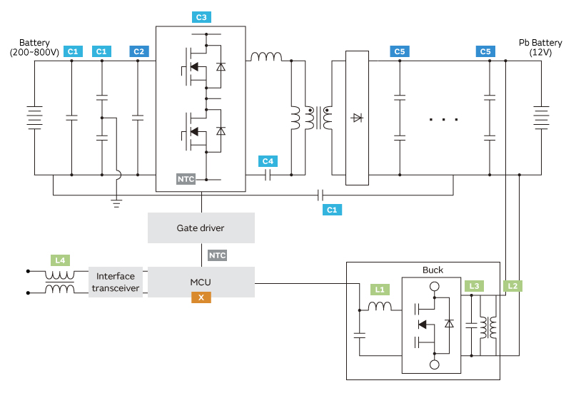
电气化DC-DC转换器

在电力电子系统中要求小型、轻巧、有效、在高温下保证工作,并通过增强安全功能来获得高附加值。
此处介绍面向支持该功能的DC-DC转换器的产品阵容。

Common mode noise filter

C1

Smoothing(HV)

C2

Snubber

C3

Resonance

C4

Smoothing(12V)

C5

Inductor for Power supply

L1

EMI filter for Power supply

L2

L3

EMI filter for CAN

L4

Temperature sensing

NTC

Clock

X