选择您的地区和语言

陶瓷电容器小间距环保胶带 (适用于0201, 0402, 0603 inch 尺寸)

胶带的口袋间距减少到传统的一半。为提高生产效率做出贡献,建议改用环保的窄间距胶带。

优点

Merits

环境对应

可以减少包装材料的使用和浪费。

改为窄距贴片后,每个卷轴的数量增加了一倍。这也减少了包装材料的使用量和浪费。
这样我们就能为节约资源做出贡献。

Compared to W8P2 tape, W8P1 embossed tape dramatically reduces tape waste after mounting.

提高运输效率

每卷的数量增加1倍以上,重量几乎不变,运输效率提高。

可左右滑动屏幕 请使用横屏浏览

生产效率提高

改为窄距贴片后,每个卷轴的数量增加了一倍。由于拼接工作减半和卷盘更换工作减半,不仅缩短了工作时间,存储空间减半,还提高了生产效率。

Improvement of Production Efficiency
可左右滑动屏幕 请使用横屏浏览
Φ180mm卷轴 Φ330mm卷轴
尺寸 in mm(inch) 标准螺距
(个/卷轴)
窄边距
(个/卷轴)
标准螺距
(个/卷轴)
窄边距
(个/卷轴)
0603M(0201) W8P2纸 W8P1纸 W8P2纸 W8P1纸
15,000个 30,000个 50,000个 100,000~150,000个
1005M(0402) W8P2纸 W8P1纸 W8P2纸 W8P1纸
10,000个 20,000个 40,000~50,000个 80,000~100,000个
1608M(0603) W8P4纸 W8P2纸 W8P4纸 W8P2纸
4,000个 8,000个 10,000个 30,000个

W8P4 : 宽8mm、间距4mm
W8P2 : 宽8mm、间距2mm
W8P1 : 宽8mm、间距1mm

适用产品/编带尺寸

支持芯片尺寸0201(0.6×0.3mm)、0402(1.0×0.5mm) 、0603(1.6×0.8mm)英寸

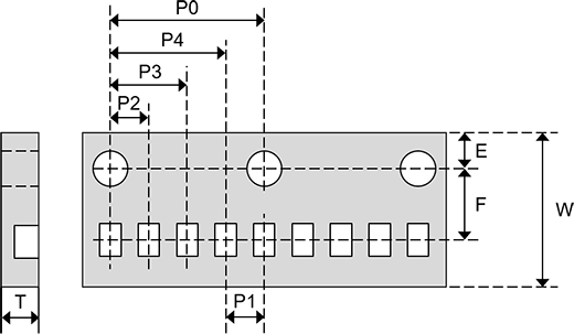
W8P1

编带尺寸 W8P1

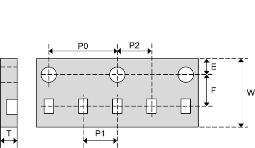
W8P2

编带尺寸 W8P2
可左右滑动屏幕 请使用横屏浏览
片状尺寸 in mm (inch) P0 P1 P2 P3 P4 E F W T
0603M (0201) 4.0 1.0 1.0 2.0 3.0 1.75 3.5 8.0 最大0.5mm
1005M (0402) 4.0 1.0 1.0 2.0 3.0 1.75 3.5 8.0 最大0.8mm
1608M (0603) 4.0 2.0 2.0 - - 1.75 3.5 8.0 最大1.15mm

mm