选择您的地区和语言

聚合物铝电解电容器与铝电解电容器(绕组型)之间的比较

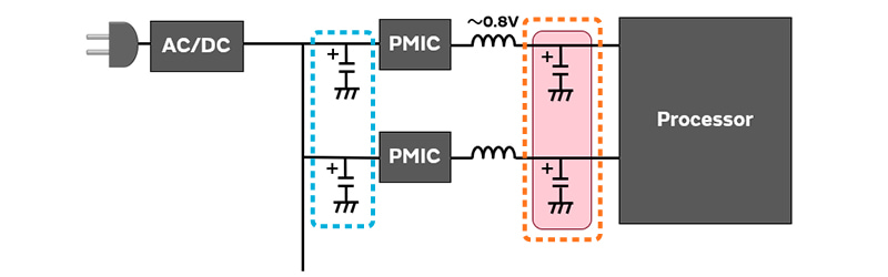
低ESR

铝电解电容器(绕组型)相比,ECAS系列的ESR更低,因此有助于降低纹波噪声和针对负载波动的电压波动稳定性

小型、薄型

由于ECAS系列比铝电解电容器(绕组型)更薄,因此有助于设备的薄型化。

PC主板剖面图
  1. 使用罐型铝电容器的传统PC
  2. 使用ECAS系列的薄型PC