选择您的地区和语言

功率半导体FlexiBK™
PE24110

超有效率、3.3Vin、12A、2级降压调节器IC

  • 目前生产
  • 推荐
  • New
Read more
  • 符合RoHS指令的产品
Read more

产品详情

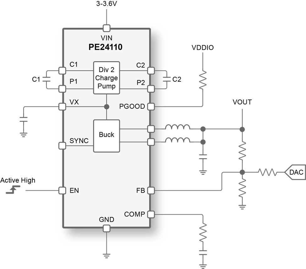
PE24110采用创新的两级设计,将电容器分配器充电泵与两相降压调节器结合,高度更低,体积更紧凑。
每相可提供12A电流,可以并联多达4相,支持48A。
使用外反馈电阻器选择输出电压,并且可以通过外部AVS DAC进行调节。
具有低纹波性能,效率出众适用于空间关键和噪声敏感应用,如光学模块中的DSP/ASIC或网络设备中的FPGA。

# of Outputs 1
Io [A] 11.4 (Vin=3.0-3.6V)
12 (Vin=3.0-3.45V)
Vin [V] 3.0-3.6
Vo [V] 0.35-0.7
Efficiency [%] 89 (3.3Vin/0.5Vo)
Sw Frequency [kHz] 1600
Package QFN
Junction Temp [degC] −40-125
Feature Enable, Power Good, AVS (via external DAC), Vout Sense, Over Current Protection, Over Temperature Protection, UVLO, Parallel Operation
Architecture 2 stage buck
Product Family FlexiBK™
Image of PE24110

技术指南

可浏览功率半导体的各技术资料。
点击下载按钮,即可浏览、下载文件。
※可能会在无提前告知的情况下对Datasheet中记载的内容进行变更或停止提供。

Datasheet
可浏览特征、规格和測試方法。

Datasheet (PDF: 0.6 MB)

"产品特点图标"说明

符合RoHS指令的产品符合

基于RoHS指令,除开不适用于此指令的部分,剩下适用于此指令的同质量的部分,没有超出RoSH指令限制物规定的超高容许重量浓度的含有标准。

限制物质 超高容许重量浓度
0.1%
水银 0.1%
0.01%
六价铬 0.1%
多溴化联苯(PBB) 0.1%
多溴联苯醚(PBDE) 0.1%
邻苯二甲酸二(2-乙基)己酯(DEHP) 0.1%
邻苯二甲酸丁酯苯甲酯(BBP) 0.1%
邻苯二甲酸二丁酯(DBP) 0.1%
邻苯二甲酸二异丁酯(DIBP) 0.1%
REACH法规达标产品reach

是指符合REGULATION (EC) No 1907/2006(REACH法规)规定的产品

REACH法规的成品所含物质规定:
根据REACH法规的第67条第1款,明确规定了禁止物质和限制产品用途。 产品中含有高关注物质(SVHC)时,欧洲境内的供应商有义务事先提供安全使用该产品的信息(REACH第33条)。 并非禁止物质,没有产品使用上的限制。 详情请确认 "含有SVHC产品的安全使用信息"
AEC-Q200AEC-Q200
符合AEC-Q200的产品