选择您的地区和语言

压电薄膜传感器(Picoleaf™)压电薄膜传感器工作原理

用于Picoleaf传感器的检测电路

Picoleaf的检测电路由I/V转换器和放大器电路构成。
将Picoleaf产生的电荷通过I/V转换器转换为电压,并视需要进行放大。
现在建议使用分立电路。我们正在开发包括信号处理功能的Picoleaf专用ASIC,预计2025年开始提供。

用于Picoleaf传感器的检测电路的主要图片

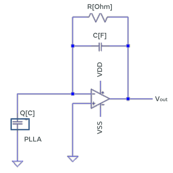
检测电路

I/V转换器由下述电路构成。
I/V转换器的特征是可将Picoleaf产生的电荷转换为电压,而不受传感器电容和杂散电容的影响。详情请咨询。

检测电路的主要图片

压电薄膜传感器的动作

压电薄膜因挤压或变形发生畸变(伸长、收缩)时,将产生与压电薄膜表面畸变成比例的极化。极化产生的电荷通过I/V转换器转换为电压,并作为模拟信号输出。以下是输入载荷与输出信号的示例。

压电薄膜传感器的动作的图片1。Test condition, Base material:ABS, Amplitude:20um, Frequency:5Hz, Pre-Load:5N
压电薄膜传感器的动作的图片2