选择您的地区和语言

晶体谐振器晶体谐振器 专业术语的基础知识

技术术语

共振频率

在晶体谐振器的共振特性中,共振频率是两点阻抗变为电阻时的较低频率点。

图.晶体谐振器共振特性
公式计算

阻抗Z变为电阻元件时,两点之间的频率。在这两点上,相为0。其中频率较低的点称为共振频率。另外一个点称为反共振频率。

等效电路

下图所示的是由电阻、电感和电容组成的晶体谐振器的共振特性。
R1在等效电路中称为等效串联电阻,是晶体谐振器的重要特性。

等效电路图片

等效串联电阻(R1)

晶体谐振器等效电路串联支路中的电阻。

负载电容(Cs)

让晶体谐振器具有负载共振频率的电容。在实际振荡电路中,连接晶体谐振器的实际电容是由外部负载电容、IC杂散和PCB等产生的。也可用下述公式进行计算 :

公式计算

负载共振频率(fL)

负载共振频率是晶体谐振器中负载电容串联的共振频率,这一频率比共振频率高。由于实际值与晶体谐振器规范中额定值之间的电容差,所以实际和额定振荡频率间存在频差。也可用下述公式进行计算 :

公式计算

拉敏性

上面的图显示了负载电容变化产生的负载共振频率(fL)偏移。此图中每个点的斜率就是拉敏性。参见下面的图。在负载电容为6pF时,拉敏性是−17ppm/pF。(负载电容变化1pF时,频移为17ppm)
也可用下述公式进行计算 :

公式计算

导纳圆

下图是在导纳平面坐标(电导—电纳)上绘制的晶体谐振器共振特征。由于画成了圆形,因此称为导纳圆。在频率低于共振频率时,导纳靠近原点。在频率增加时,导纳按顺时针方向画圆。

导纳圆图片

振荡裕量 / 负阻分析

即振荡停止的裕量,这也是振荡电路中最重要的术语。振荡裕量取决于组成振荡电路的元件(晶体谐振器、MCU、电容器以及电阻器)。
村田推荐维持5倍或更大的振荡裕量。详细内容请参阅“振荡裕量说明”。

负阻(−R)

负阻是用阻抗表示的振荡电路信号放大能力。由于其作用与电阻相反,所以是负值。
负阻较高值小说明振荡电路的放大能力低。振荡电路中的负阻取决于CMOS逆变器的特性、反馈电阻、阻尼电阻和外部负载电容。

等效振荡电路图片

驱动功率

驱动功率是指振荡电路中晶体谐振器的功耗。它不仅取决于晶体谐振器的等效串联电阻,还取决于组成振荡电路的元件(MCU、电容和电阻)。在驱动功率超额时,频率—时间性能会出现不正常特性。在设计振荡电路时,最好检查一下驱动功率。

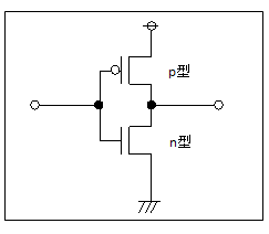
C-MOS逆变器

C-MOS是互补MOS,组成了相互连接的p和n型MOSFET。在下图中起到逆变器(逻辑逆变电路NOT)的作用。

C-MOS逆变器图片

振荡电路

在装有C-MOS逆变器或晶体管的放大电路中,所谓的“振荡电路”就是将输出连接到输入,以便持续放大反馈。只有通过晶体谐振器反馈才能选择并放大共振频率的信号。

振荡电路图片

电路匹配

构成电路的元件(C-MOS逆变器、晶体谐振器、电阻和外部负载电容)组合,会改变振荡特性。因此,需要组成适当的电容组合,以获得强大的振荡电路。这种检查和调整也称为电路匹配。

标称频率

标称频率是指晶体谐振器生产商指定的晶体谐振器频率。必须要知道的是,由于MCU、PCB和外部负载电容的不同,实际振荡频率会偏离标称频率。

频率容限

是指操作环境中振荡频率超大允许偏差的频率范围。通常根据标称频率用ppm表示。

振动频率

振动频率是指与晶体谐振器一起工作的振荡电路的实际频率。振动频率由晶体谐振器决定,并受MCU、外部负载电容、PCB杂散电容等的影响。

振荡幅度

振荡幅度指在振荡电路的输入和输出端的电压幅度。

振荡电路元件的术语说明

反馈电阻

在振荡电路中,反馈电阻与C-MOS逆变器并联连接。它可能集成在MCU上。它的作用是平衡逆变器I/O间的DC电压,而逆变器将起到放大器的作用。
在反馈电阻没有集成在MCU上时,非常好使用1Mohm作为外部反馈电阻。

阻尼电阻

阻尼电阻用于振荡电路中C-MOS逆变器的输出端。其作用是减小振荡幅度,以降低降低功率。另一方面,必须注意振荡裕量,因为超额的阻尼电阻会引起振荡停止。通常阻尼电阻的使用范围是从0到2kΩ,它取决于MCU的特性。

外部负载电容

外部负载电容用于振荡电路接地逆变器的输入端和输出端。它是直接影响负阻和振荡频率的重要元件。这些电容在CERALOCK中称为“负载电容器”。另一方面,在晶体谐振器中,将其称为“外部负载电容”,以区别于负载电容“Cs”。通常将两个相同的电容用作外部负载电容。5到10pF作为外部负载电容是很适合的,这将取决于MCU的特性和安装基板的寄生电容。