选择您的地区和语言

陶瓷电容器的FAQQ芯片尺寸008004(0201M), 01005(0402M)的卷盘和编带的宽度分别是几毫米?(例如GRM01/GRM02/GJM02系列)

A

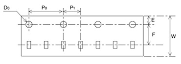
芯片尺寸008004(0201M)and 01005(0402M)的卷盘宽度为8mm以下。
另外,带宽(下图中的W)为4mm,间距(下图中的P1)为1mm。

芯片尺寸图片

详情请参阅网站的产品详情页面中所添附的详细规格表详细规格表
,并确认其中的“Packaging”。

请配合完成FAQ改善问卷。
FAQ对您有帮助吗?

如果可以的话,请您提出对FAQ的意见及要求。
您的意见将会用于FAQ的改善中。

  • 以这一方式提出的疑问及要求将不予以回复。

如您有产品相关的疑问,请点击“联系我们”进行咨询。