他励型的压电扩音器和压电振动板,通过在产品的两个端子之间外加交流电压而鸣动。
以标准的驱动电路范例来说,有两种方法,(1)利用晶体管电路与(2)通过微电脑直接驱动。
(1) 利用晶体管电路的情况
利用晶体管电路的情况下,压电音响器和压电振动板(他励型)的驱动电路范例
外加于V的电压值越大,压电声音元件的音压也越大,因此在能够保证电源(电压)高于微电脑驱动电压的情况下得到广泛应用。
对于图中的电路构成元件,补充如下:
- 图中的Rp对于释放存储在压电发声元件中的电荷是必不可少的,因此请务必使用。
而Rs是音量调节用的,请在需要时使用。(参考: 680Ω~1kΩ左右合适。)
- 保护IC免遭压电发声元件反向电压的破坏时,晶体管变成缓冲器,但是对于晶体管本身的保护,必要时,也请考虑将齐纳二极管与压电发声元件和Rp并联使用。
- 亦可用FET替代晶体管。
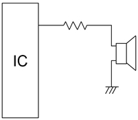
(2) 通过微电脑直接驱动的情况

通过微电脑直接驱动的情况下,压电扩音器和压电振动板(他励型)的驱动电路范例
因为压电声音元件的阻抗值高、且是电压驱动型,所以可由IC直接驱动,为了具有稳定鸣动和IC保护,请在IC输出端和产品间串联插入阻抗使用。
对于图中的电路构成元件,补充如下:
- 为了保护IC免遭压电发声元件反向电压的破坏,必要时,也请考虑将齐纳二极管与压电声音元件并联使用。
- 请采用避免对压电声音元件长時间外加直流电压的电路设计。
- 请选择不超过IC输出引脚允许电流值的合适阻抗。
(参考:470~1kΩ左右合适。)