选择您的地区和语言

陶瓷谐振器(CERALOCK)的FAQQCERALOCK有方向性吗?

A
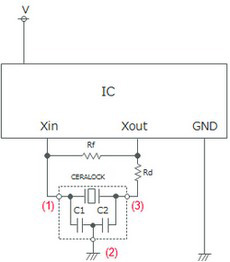
CERALOCK是有方向性的。IC的XIN中CERALOCK输入端子(1)要连接XOUT中输出端子(3)。
端子编号应该是从频率印字在可读的方向放置产品,从左开始依次为(3)(2)(1)。
circuit

相关FAQs
浏览本页的大部分客户也对以下内容感兴趣。
Q.产品上印刷的文字代表什么?
Q.如果方向装反了,会发生什么问题?
Q.CERALOCK反向连接的话为何会出现频率偏差?

请配合完成FAQ改善问卷。
FAQ对您有帮助吗?

如果可以的话,请您提出对FAQ的意见及要求。
您的意见将会用于FAQ的改善中。

  • 以这一方式提出的疑问及要求将不予以回复。

如您有产品相关的疑问,请点击“联系我们”进行咨询。