选择您的地区和语言

微型风扇(空气泵)微型风扇 MZB4001T05

结构设计采用陶瓷超声波振动作为驱动源并将其作为风扇(压电泵)工作。
是一款薄且安静,同时实现了压力和流量之间的平衡特性的空气泵。
吸气侧和排气侧带有吸嘴或喷嘴,因此很容易连接至管道。

  • 点击可移动至各个项目。

规格

可左右滑动屏幕 请使用横屏浏览
输入电压
[Vdc]
环境动作
温度范围 [°C]
驱动谐振频率
[kHz]
流量@24Vdc
[L/min]
静压@24Vdc
[kPa]
20~28※1 5~50 20~22 ≧0.5※2 ≦-10.5※3

※1 向我司驱动电路施加电压

※2 测定条件:环境温度18~28°C 气压:950~1020hPa
在考虑使用正压时请咨询我们。

※3 流量和压力特性因温度和压力条件而异。

※在超过24Vdc的电压下驱动时,运行可靠性时间会迅速下降。

※请在材料表面温度为60°C或更低的条件下使用。
特别是当以高驱动电压连续驱动时,由于发热可能无法发挥足够的性能。

特点

①需要单独的驱动回路。

虽然数量很少,但本公司已准备好了试用驱动回路。
详情请与本公司联系(量产时请您自己准备驱动回路)。

②代表特性

项目  
驱动谐振频率 21kHz
无负载流量 1.3L/min(@28Vdc)
静压 -20kPa(@28Vdc)

※如果连续工作,可能会由于发热而无法发挥出足够的性能。而且有可能导致损坏。
请在树脂盖侧的表面温度为60°C或更低的范围内使用。
请采取使用散热板等散热措施,或在温度超过60°C时停止驱动。

特性随输入电压而变化。

※表示的仅是典型特征,不是保证值。
如果您考虑用于吐出空气(正压力),请与本公司联系。

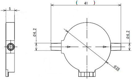
③外观图

可左右滑动屏幕 请使用横屏浏览
  项目
Item
规格
Specification
条件
Condition
1 外形尺寸/公差
Outside dimension/tolerance
φ28±0.2mm 去除喷嘴、端子
except the nozzle and terminal
2 厚度尺寸/公差
Thickness/tolerance
5±0.5mm  
3 喷嘴直径/公差
Nozzle diameter/tolerance
4.2±0.2mm 喷嘴底座直径
Bottom diameter of nozzle

④空气流动

※空气只沿一个方向流动。无法使其逆向流动。

注意事项

  • 微型风扇是吸引/吐出空气的装置,不可直接接触液体。产品非密封构造不具有防水功能,不能水洗。请避免在水汽凝结的环境下使用。
  • 微型风扇能吸/吐空气,泵室中可能会堆积空气中的尘埃,工作中会受到尘埃的影响。请选择在无尘的环境下使用,或使用能过滤亚微粒的滤网以预防吸入尘埃。(※使用滤网并不能全然保证不会降低微型风扇的性能。)
  • 特别是香烟、蚊香等烟雾会影响产品的寿命。请避免在烟雾环境下使用。
  • 微型风扇不适用于车载(包括汽车配件)。
  • 为微型风扇设置及固定滤网时,我们推荐使用双面胶粘贴。详情请咨询我们。
  • 请勿徒手操作本体(包含喷嘴、配线等)。
  • 请勿弯曲接头部分。
  • 如果考虑通过串联提高压力,敬请咨询。
  • 根据用法、用途、需求规模等,包括提供样本在内,可能会谢绝。敬请谅解。

数据表

数据表 下载

可以下载记载产品特性和规格的数据表。

MZB4001T05 数据表