选择您的地区和语言

非隔离DC-DC转换器模块降压型DC-DC转换器的二极管整流与同步整流的区别

分别就二极管整流电路与同步整流电路的优缺点进行说明。

降压型DC-DC转换器的二极管整流与同步整流的区别

优点与缺点

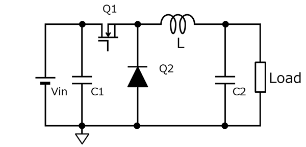
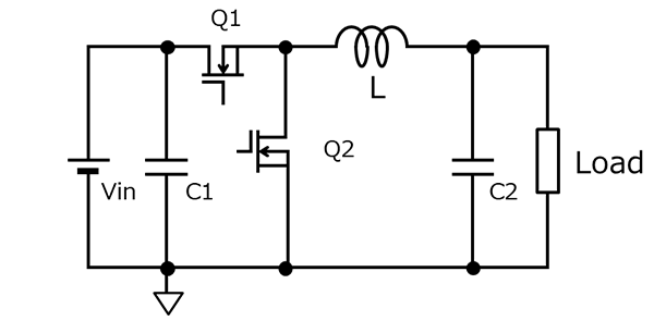
如果Q2(换流元件)使用二极管(肖特基二极管等),则为二极管整流,如果使用FET,则为同步整流。

  • 同步整流的功率损耗小于二极管整流。
  • 同步整流需具备Q2的驱动电路,同时为了预防短路,还需搭建预防Q1与Q2同时导通的电路。
  • 在二极管整流中,Q1与Q2不会同时导通。
  • 相比二极管整流,同步整流的电路更加复杂。
a)二极管整流
b)同步整流

电流不连续模式(仅限二极管整流)

二极管整流在输出电流小的情况下,存在线圈上无电流流动的期间。

  • 在电流不连续模式下,负载的响应性会变差
  • 控制函数在不连续/连续的边界处变化

尤其若有在不连续/连续的边界工作的模式,应充分确认动作。

形象图

损耗比较(二极管整流vs同步整流)

例如,在负载电流Iout = 10A / 占空比D = 0.5的条件下,计算换流元件Q2产生的损耗。

计算公式
  • 二极管整流
    设肖特基二极管正向电压VF = 0.5V时,
    计算公式
  • 同步整流
    比如FET的漏源导通电阻Ron = 10mΩ时,
    计算公式

同步整流的损耗较小,可抑制负载电流大时的发热。
此外,当输入输出电压差较大时,换流侧的开关Q2导通时间增长,其损耗差异将进一步增大。

二极管整流与同步整流的总结

  • 同步整流的优点
    • 低损耗
    • 可实现高频动作与部件小型化
    • 负载变动的响应性良好
  • 二极管整流的优点
    • 电路简单
    • 轻负载时的效率佳