选择您的地区和语言

非隔离DC-DC转换器模块48V输入电荷泵的输出电流共享

就48V输入电荷泵模块MYC0409-NA的输出电流共享进行说明。

48V输入电荷泵的输出电流共享

前言

MYC0409-NA是支持48V输入的DC-DC转换器。电路方式采用电荷泵,实现了低矮化且效率出众的模块。输入电压(VIN)转换比例固定为4分割,在20V-60V的输入电压范围内,输出电压(VOUT)=VIN/4的电压最大可输出6A。另外,MYC0409-NA可并联工作,通过并联连接2个以上MYC0409-NA,可使输出电流达到6A以上。
通常DC-DC转换器需要根据负载电流选用适当额定电流的转换器。因此,需要根据负载采用多种转换器。另一方面,通过增加支持并联工作的DC-DC转换器的并联台数,可以1种DC-DC转换器来适应从小功率到较大电流的系统。另外,通过在各模块中分散电流,具有可以预防局部发热,不需要大型电感器即可实现低矮化电源系统的优点。
各转换器之间的电流共享(电流均衡),是并联运行DC-DC转换器时的重要设计事项。在多台DC-DC转换器并联的状态下,如果电流集中在一个电源上,就会对该电源施加极端压力,导致电源故障或缩短寿命。
因此,在可并联工作的DC-DC转换器上搭载了各电源共享电流的功能。共享电流有多种方法,本文介绍利用电荷泵的下垂特性共享电流的方法及此时的功率降额的计算方法,以及本公司评估基板的电流共享评估结果。

下垂控制

MYC0409-NA是支持电荷泵的开环控制的电源,具有随着负载电流的增加,输出电压降低的下垂特性。另外,由于电压转换比例是固定的,因此可以用图1所示的理想电压转换器和输出等效电阻(ROUT)的简易模型来说明。用ROUT表示固定倍率的电压转换及相对于负载电流的电压下降。如图1所示,可以下述算式计算电荷泵的输出电压。

计算公式
图1 电荷泵的简易模型

通过使用此下垂特性,可在各模块之间共享电流,而无需使用复杂的电流共享电路或新增外接电路。
图2为基于下垂特性的电流共享概略图。图2表示并联了2个电源模块时的输出电压与输出电流(IOUT)的关系。图2的Module1和Module2的斜率根据上述公式所示的ROUT及各模块的布线布局发生变化。由该斜率决定各模块之间流过的电流。如果两个模块的ROUT及布线阻抗、模块温度一致,则各模块流过输出电流的一半(IOUT/2)电流。另一方面,在下垂斜率存在差异时,如图2所示,Module1流过IOUT1的电流,Module2流过IOUT2的电流,成为IOUT1>IOUT/2>IOUT2的状态。但是,由于Module1相较Module2流过的电流大,因此损耗增大会引起发热。由于模块温度上升使ROUT增加,Module1的电流会减少。因此,Module1和Module2的电流会自动进行电流平衡,使差值变小。
图2假设无负载时各模块的输出电压相同。另一方面,如果无负载时的输出电压存在差异,则会在模块之间发生电流循环。这是因为在Module1中有正向电流流动,Module2中有负向电流(逆流)流动,输出电压处于稳定状态。此时由于电流循环流过了不需要的电流,因此无负载时的损耗便会增大。
MYC0409-NA采用了电荷泵,如上所述无负载时的输出电压不依赖于ROUT,因此无需通过微调进行调节和校正,输出电压也大致相同。

图2 基于下.垂特性的电流共享

并联工作时的功率降额

并联工作时的最大输出电流并非单机工作时的额定电流×并联台数,而会发生功率降额。其原因是各模块的输出电流无法均等地共享电流。
如上所述由于VOUT=VIN/4,因此无负载时的输出电压大致相同,但各模块的下垂斜率根据模块内部的部件差异以及连接模块的布线差异等而不同。此外,下垂斜率也会因模块温度而变化,因此应考虑安装环境、散热结构、输入输出的布线电阻等来决定功率降额。
图3表示搭载了MYC0409-NA的系统的电阻成分等效电路图。图3为并联了4台模块的图示,ROUT*为各模块的ROUT。
图4所示为MYC0409-NA的ROUT测量点。图4是在红框部分检测测量时的输入和输出电压,在模块外部测量输出电流,进行ROUT计算。
Rip*和Rop*是从电源和负载到图4所示的模块测量点的布线模式的电阻成分。以本文后述中所用的评估基板与模块的ROUT比较,Rip*和Rop*非常低,因此可忽略该值。但是,根据应用于分散式电源系统的布线增长条件、基板铜箔厚度及层配置,Rip*和Rop*会对电流共享产生影响。此时,应考虑此类参数进行计算。

图3 并联连接MYC0409-NA的系统的电阻成分等效电路图
图4 ROUT的测量点

温度系数

如上所述,ROUT受模块温度的影响。为了确认温度对ROUT的影响,测量了MYC0409-NA的ROUT的温度特性。ROUT拥有与模块温度大致成正比的温度系数,该系数根据各输入电压而异。构成ROUT的要素包括半导体、布线的寄生电阻及陶瓷电容器的偏压特性等多种要素。因此,根据温度和施加的电压,对损耗的影响亦不同。
表1表示根据实测值计算的温度系数。

可左右滑动屏幕 请使用横屏浏览
表1 MYC0409-NA的温度系数
V IN(V) 20 24 36 48 54 60
温度系数 0.151 0.149 0.141 0.120 0.105 0.089

计算公式

并联工作时,在ROUT与布线电阻的合计值最低的模块中流过最大电流。将流过最高电流的模块电流值作为单机工作时的额定电流6A,计算合计输出电流(IOUT_4para)。
假设ROUT1和布线电阻的合计为最低的条件时,最大输出电流的计算式如下所示。根据该计算式决定并联工作时输出电流的降额。但是这仅限于计算式,实际使用时请勿超过额定电流6A。

计算公式
ROUT*1
各模块的ROUT(TA=25degC)
R*
布线模式的电阻值
K
温度系数
T*
各模块的温度
计算公式

并联工作台数为2台时同样适用下述算式。

计算公式

评估结果

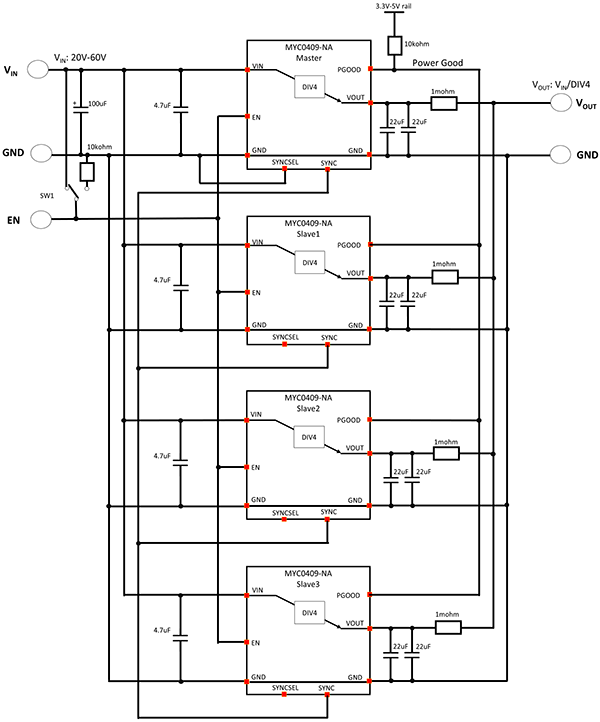
图5所示为评估共享电流所使用的评估板。本次实施了在评估板上搭载4台MYC0409-NA时的电流共享测量。作为电流检测方法,在各模块的输出上安装电流检测电阻,测量流过该电阻的电流。图6所示为电路图。
图7表示各输入电压下的电流共享,图8表示与各输入电压下均等共享电流状态(IOUT/4)的电流差异。结果表明:在超过负载电流IOUT=1A的范围,实现了±3%以下的良好电流共享。由于轻负载时电流值低,难以校正温度,因此各模块之间容易出现电流值差异,而测量环境是造成差异的影响因素之一。电流增幅的运算放大器的偏置及测量仪器的精度等,提高轻负载时的测量精度的测量方法,是今后我们应解决的课题。
图9表示温度特性。本评估的温度为TA=25degC,在自然空冷的条件下实施了评估。在本次测量中,由于未使用散热器进行散热,中间2台难以散热的模块温度上升。假设从图5的CH1或CH4强制实施空冷,安装在风扇一侧的模块温度将会下降,电流更易流过。由于强制空冷可能导致模块之间的电流共享变差,因此强制空冷时应注意风扇的方向。

图5 MYC0409-NA的评估板
114.5 × 101.5 × 1.6mm(4 Layer FR-4)
外层(1, 4)=2oz、内层(2, 3)=1oz
可左右滑动屏幕 请使用横屏浏览

图6 评估电路

图7 各输入电压下的电流共享

图8 各输入电压下的输出电流差异

图9 温度特性(VIN=48V、VOUT=12V)