选择您的地区和语言

非隔离DC-DC转换器模块村田制作所电荷泵的优点

就传统电荷泵电路与村田制作所电荷泵的区别及其优点进行说明。

村田制作所电荷泵的优点

电荷泵及村田制作所的电荷泵模块

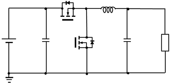
电荷泵(Charge pump)是通过组合电容器与半导体开关,可对输入电压进行升压、降压或反转的电压转换方式。
以图1为例说明最简单的降压型充电泵。图1中用颜色区分的各开关交替以固定的接通时间接通、断开,由此可以进行输出电压(VOUT)=1/2输入电压(VIN)的电压转换。该电压转换比例固定,可根据电容器与开关连接数量变更电压转换比例。
电荷泵为开环控制,具有随着负载电流的增加,输出电压降低的下垂特性。
此外,如图1所示,不需要电感器,可由电容器和半导体开关构成电路。
通常在构成电源的部件中,磁性部件容易成为高度最高的部件,且相对电源尺寸的占比较大,因此不使用电感器的电荷泵可实现小型与低矮化的电压转换器。另一方面,由于电荷泵是以离散方式向输出电容器(COUT)供给电荷,因此对于固定的输出负载,存在从COUT供给电力的期间,最终导致输出纹波电压变大。为了解决这个问题,需要搭载大型大容量电容器或多个电容器,从而导致部件数量增加及电源电路面积变大的问题。加之,再次向已放电的电容器补充电荷时会流过瞬态尖峰电流,因此会对各元件施加压力。此外,由于会产生被称为电荷再分布损耗(Charge re-distribution Loss)这种伴随电容器之间电荷传输的电荷泵特有的损耗,从而导致效率降低。

图1 电荷泵电路

我们采用自主研发技术推出的产品UltraCPTM系列电荷泵模块,可解决诸如上述的输出纹波电压增加、电源大型化及对元件造成极端压力等缺点。如表1所示,村田制作所正在批量生产MYC0409-NA。
MYC0409-NA的输入电压转换比例为1/4、输入电压为48V时,可输出约12V的输出电压。因此,其适合于从48V系统或54V电源系统生成12V和13.5V的中间总线电压。
本产品应用村田制作所自主研发的电荷泵技术,在维持效率出众的同时,高度仅为2.1mm,且拥有高功率密度。为了避免安装空间问题,也可将无需大型电感器、轻量纤薄的电荷泵系列安装在基板背面。

表1 UltraCPTM产品概要
产品名称 MYC0409-NA
输入电压(V) 48(20-60)
输出电压(V) VIN/4
输出电流(A) 6
尺寸(mm) 11.5*9.5
高度(mm) 2.1_max.
效率(%) 95.0(VIN=48V/IOUT=6A)

降压型转换器与电荷泵的区别是什么?

图2所示为降压型转换器的电路图与工作波形。降压型转换器由输入输出电容器、高边与低边MOSFET及电感器构成。这是通过调节MOSFET的导通时间,获得低于输入电压的输出电压的电压转换方式。由反馈电路调节该导通时间,可保持与负载无关的固定输出电压。
如上章节所记载的,电荷泵不具备反馈,因此输出电压会随着负载电流的增加而下降。另外,由于电压转换比是固定的,因此可以用图3所示的理想电压转换器和输出等效电阻(ROUT)的简易模型来说明。用ROUT表示固定倍率的电压转换及相对于负载电流的电压下降。如图3所示,可以下述算式表示电荷泵的输出电压。

计算公式

接下来就降压型转换器的重要部件之一,其选择会对特性产生重大影响的电感器和电容器进行说明。讲解降压型转换器与电荷泵的工作原理,明确电荷泵的优点。

降圧形コンバータの回路図
降圧形コンバータの動作波形

图2 降压型转换器

图3 电荷泵的简易模型

电感器的纹波电流

图4表示高边MOSFET导通时的状态。从图4可以看出,电感器两端的电压被叠加了输入电压(VIN)和输出电压(VOUT)。电感器电流取决于该两端电压、导通时间与电感值。因此,可以下列算式表示降压型转换器的电感器纹波电流。

计算公式
ΔIL
电感器的纹波电流
Lout
电感值
Fsw
开关频率
D
占空比(VOUT/VIN)

根据上述算式,要减小该纹波电流,就需要提高电感值,或者提高开关频率。
为了提高电感值,则需要增加电感器的圈数或增大铁芯的截面积。前者因增加圈数而使布线变长,从而导致DCR增大,导通损耗增加。如果为了降低损耗使用粗绕线,则需要使用大型铁芯增加绕线的空间。后者需要增大铁芯体积,因此不论采取何种方法,大电流降压型转换器都难以实现电感器的小型化。如果提高开关频率,则会增加MOSFET的开关损耗,从而导致效率降低。
鉴于电感器的此类局限性,因此很难实现小型、高效且低矮的转换器。

图4 降压型转换器(State1:高边导通)

而电荷泵是通过电容器供电。在使用电感器及变压器进行电压转换的电路模式中,通常难以突破磁性部件高度高的瓶颈。如上所述,使用高度低的磁性部件则会引起效率下降。电荷泵可实现低矮化且高效的电源。此外,电容器的功率密度高于电感器的功率密度,因此可实现高功率密度的电源。
村田制作所的电荷泵使用小型电感器。该电感器连接在电荷泵的后段,可通过LC滤波器减少输出纹波电压。
如图5(b)所示,相比降压型转换器,电感器两端电压的振幅非常小,因此可以使用电感值低的电感器。此外,由于低电感值的电感器圈数较少,因此可以选用低DCR的电感器,从而可降低电感器引起的导通损耗。

(a)降压型转换器
(b)村田制作所的电荷泵

图5 电感器两端电压及纹波电流

输入纹波电压

降降压型转换器输入电流的平均值与电压转换比成正比减小。但是,在图4状态1的情况下,需从输入侧提供与输出电流相同的电流。这是因为被输入电容器切断了直流,如图2中的ICIN所示,流入输入电容器的交流纹波电流也高于输出的ICO。可以下述算式计算ICIN的RMS值。

计算公式

村田的电荷泵采用占空比固定为50%、相位错开180度的2段结构,输入电流按各周期供电。因此,输入电容器不会产生瞬态电流变化。输入电容器中流动的纹波电流为电感器电流的N(电压转换比例)分之一,能够以较少的静电容量实现低输入纹波电压。

应用

图6示例是小型基站系统适用UltraCP™系列时的系统架构图。在AC电压生成48V电压的后段搭载MYC0409-NA,由此从48V生成12V。通过在此后段搭载12V稳压器,生成I/O及核心电压。通过应用UltraCPTM系列,可实现高效小型系统。

可左右滑动屏幕 请使用横屏浏览

图6 小型基站系统

特性及尺寸比较

讲解将电感器作为能量转换元件使用的普通非隔离降压型DC-DC转换器模块与电荷泵模块MYC0409-NA的特性比较结果。在本比较中,以输入电压48V、输出电压约12V进行评估。图7、图8、图9分别表示效率特性、解决方案尺寸比较与温度特性比较。首先在效率特性方面,与作为比较对象的最大额定电流4A比较,存在5%以上的效率差。其次在解决方案尺寸方面,包括外置电容器在内,MYC0409-NA的面积实现了约20%的缩减。进而作为电荷泵技术的特点,由于产品高度极低且重量轻,可应用于要求安装在背面及低矮化的系统。
最后在温度特性方面,尽管评估基板的面积小于比较对象,但由于损耗低,因此可以观察到34.7degC的温度差。

图7 效率特性(VIN=48V、VOUT=12V)
(a)MYC0409-NA
(b)降压型转换器模块

图8 解决方案尺寸比较

图9 温度特性(VIN=48V、VOUT=12V、IOUT=4A)

总结

表2对村田制作所的电荷泵与降压型转换器进行了汇总。
电荷泵采用电压转换方式,特别是在要求元件低矮化的应用中,可以实现小型且高效率。与降压型转换器比较,存在调节性差的缺点,因此适用于生成中间总线,在后段以PoL(Pointofload)确保稳定输出的应用。

表2 电荷泵(村田制作所)与降压型转换器的比较
电荷泵 降压型转换器
输出电压 VIN/DIV N-IOUT*ROUT VIN*D
调节性 ×
效率 ×-○
(依赖于电感器的尺寸)
面积
高度 ×-△
(依赖于电感器的尺寸)